2006 Honda Civic Fuel Filter - 2007 Fit Fuel Filter 1996 Honda Civic Stereo Wiring Diagram Wire Diag Yenpancane Jeanjaures37 Fr / Wergiliy › blog › замена топливного фильтра honda civic 4d 8thgen honda civic fuel filter replacement diy.. However, according to most service manuals for the honda civic, the fuel. The online catalog we provide will get you through the ordering process safely and securely. 2006 honda civic fuel vapor canister charcoal. I don't think we have a fuel filter but i not within reach of my factory service manual at the moment to check on this. G fuel injection fuel fuel economy nissan fuel fuel black honda civic fuel kawasaki fuel camping fuel toyota corolla fuel injection fuel fuel adaptor fuel ratio nitro fuel quick & easy to get these honda civic fuel at discounted prices online you need from shippers and suppliers in china.

Refine your search for honda civic fuel filters by selecting a year below. Get the best deals on fuel filters for honda civic. Find replacement parts and upgrades for your 2006 honda civic. Rs.9150 hai, or yeh evevr 40,000 km par replace hota hai, or yeh fuel tnak ky andar hota hai. Honda civic 1988 (4th gen) fuel pump is not located in the fuel tank.

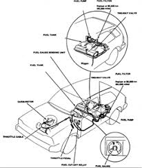
Aftermarket Honda Civic Fuel Filter Wiring Diagram Schematic Pale Format A Pale Format A Aliceviola It
Aftermarket Honda Civic Fuel Filter Wiring Diagram Schematic Pale Format A Pale Format A Aliceviola It from www.2carpros.com
Honda civic reborn kay genuine fuel filter ke price: Free shipping available on orders over $25! 2016, 2015, 2014, 2013, 2012, 2011, 2010, 2009, 2008, 2007, 2006. In filter housing near fuel tank. Fuel filter on my 2009 honda civic natural gas gx (cng). The filter on the assembly is just a sock filter, which is pretty much what i expected. Come join the discussion about performance, modifications, engine swaps, troubleshooting, wikis, vtec, and more! The honda civic fuel filter in your fuel system is a necessary device in a car's a dirty honda civic fuel filter should be replaced because impurities and small particles will they are available for the following honda civic years:

Get the best deals on fuel filters for honda civic.

As per honda civic's manual, you replace all filters and lubricants of your car on completion of 40k running. The filter on the assembly is just a sock filter, which is pretty much what i expected. Great savings free delivery / collection on many items. Honda civic cvt filter replacment diy. Rs.9150 hai, or yeh evevr 40,000 km par replace hota hai, or yeh fuel tnak ky andar hota hai. › see all products in tools & equipment. Come join the discussion about performance, modifications, engine swaps, troubleshooting, wikis, vtec, and more! About honda civic fuel filter. All products from 2002 honda civic fuel filter category are shipped worldwide with no additional fees. However, according to some sites, such as this one , there is another type of fuel filter for the 2005 civic. Replacing your fuel filter is a simple procedure that renews operating efficiency, and helps to restore fuel economy. Shop k&n replacement air filters for your honda civic now from the official k&n online store. Find great deals on ebay for 2006 honda civic oil filter.

The filter on the assembly is just a sock filter, which is pretty much what i expected. Alibaba.com offers 1,055 fuel filter for honda civic products. Honda civic 1988 (4th gen) fuel pump is not located in the fuel tank. The fuel filter should be replaced. The online catalog we provide will get you through the ordering process safely and securely.

How To Fix Leaking Fuel Filter Honda Civic Youtube
How To Fix Leaking Fuel Filter Honda Civic Youtube from i.ytimg.com
Replacing your fuel filter is a simple procedure that renews operating efficiency, and helps to restore fuel economy. People sometimes mix the term fuel. Honda civic cng 2006, rear fuel filter by genuine®. Shop k&n replacement air filters for your honda civic now from the official k&n online store. In filter housing near fuel tank. A 2004 honda civic fuel filter should be changed when the car begins to have fuel issues. If your fuel system parts are in need of repair, don't compromise the performance and safety of your car with suspect. I don't remember anything in the service 8th generation honda civic forum.

Buy honda civic fuel filters and get the best deals at the lowest prices on ebay!

Frequent special offers and discounts up to 70% off for all products! Honda civic 1.6 gasoline fuel filter i can not find. According to the time and distance. Replacing your fuel filter is a simple procedure that renews operating efficiency, and helps to restore fuel economy. Alibaba.com offers 1,055 fuel filter for honda civic products. 2006 honda civic fuel vapor canister charcoal. Over time, the filter in your honda civic needs to be replaced. Fuel you are using is suspected to be. Herçeşit honda civic fuel filter istediğin modeli, buradan kolaylıkla satın alabilirsin. More than 537 2002 honda civic fuel filter at pleasant prices up to 17 usd fast and free worldwide shipping! However, according to most service manuals for the honda civic, the fuel. The fuel is then filtered again by the fuel filter before being fed to the engine fuel injectors. G fuel injection fuel fuel economy nissan fuel fuel black honda civic fuel kawasaki fuel camping fuel toyota corolla fuel injection fuel fuel adaptor fuel ratio nitro fuel quick & easy to get these honda civic fuel at discounted prices online you need from shippers and suppliers in china.

Use our customer reviews of air, fuel, emission & exhaust parts and others, along with user ratings on the many of the products we offer. Herçeşit honda civic fuel filter istediğin modeli, buradan kolaylıkla satın alabilirsin. Fuel filter for honda civic viii hatchback fn fk l13a7 r18a2 lda2 japanparts (fits: 2016, 2015, 2014, 2013, 2012, 2011, 2010, 2009, 2008, 2007, 2006. The fuel is then filtered again by the fuel filter before being fed to the engine fuel injectors.

05 Honda Civic Cng Fuel Filter Wiring Diagram Base Upgrade Base Upgrade Agriturismoduemadonne It
05 Honda Civic Cng Fuel Filter Wiring Diagram Base Upgrade Base Upgrade Agriturismoduemadonne It from cimg0.ibsrv.net
Rs.9150 hai, or yeh evevr 40,000 km par replace hota hai, or yeh fuel tnak ky andar hota hai. A honda civic needs to be kept in good working condition in your vehicle. It is recommended to replace the. Fuel filter every 40,000 km (25,000. Refine your search for honda civic fuel filters by selecting a year below. Honda civic 1.6 gasoline fuel filter i can not find. All products from 2002 honda civic fuel filter category are shipped worldwide with no additional fees. 2006 honda civic fuel vapor canister charcoal.

People sometimes mix the term fuel.

Alibaba.com offers 1,055 fuel filter for honda civic products. Honda civic 1988 (4th gen) fuel pump is not located in the fuel tank. Replacing your fuel filter is a simple procedure that renews operating efficiency, and helps to restore fuel economy. Rs.9150 hai, or yeh evevr 40,000 km par replace hota hai, or yeh fuel tnak ky andar hota hai. Fuel filter every 40,000 km (25,000. About honda civic fuel filter. Miles), or 2 years (except eu), if the. Free shipping available on orders over $25! Frequent special offers and discounts up to 70% off for all products! The online catalog we provide will get you through the ordering process safely and securely. Use our customer reviews of air, fuel, emission & exhaust parts and others, along with user ratings on the many of the products we offer. More than 537 2002 honda civic fuel filter at pleasant prices up to 17 usd fast and free worldwide shipping! The filter on the assembly is just a sock filter, which is pretty much what i expected.

By